EL - 250
Advanced Analog Circuits
Lab #2: Class A Power Amplifier
Andrew Buettner
Objective
To design and construct a class A single transistor power amplifier. Then to take readings from the amplifier concerning it's operation.
Equipment Used
1) Trainer #
2) Oscilloscope #
3) Multimeter #
4) AC function generator #
5) Various components from the EL - 250 lab kit
Procedure
A: Circuit Design
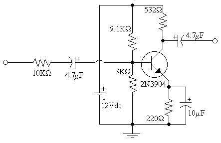
1) Assemble the following circuit:

2) Calculate the values of R1, R2, R3, and R4 so that the following specifications are satisfied:
i: b = 150
ii: ICQ = 6 - 12ma
iii: VRC = 4.8V
iv: VRE = 1.8V
v: IR1 = IR2 = 20IBQ
B: Circuit Construction and Operation
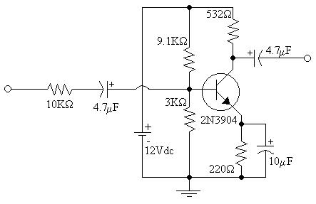
1) Assemble the following circuit:

2) Measure VB, and VC.
3) Apply a 1KHz signal to the input and maximize the input using the oscilloscope as a reference.
4) Measure the voltage at the output, source, and base.
5) Add a 1KW load resistor across the output.
6) Repeat steps 3 and 4.
Data
1) Diagram 1: Schematic 1 - Enlarged view

2) Diagram 2: Schematic 2 - Enlarged View

3) Table 1: Resistor values for circuit biasing
|
Resistor: |
R1 |
R2 |
R3 |
R4 |
|---|---|---|---|---|
|
Value: |
9.1KW |
3KW |
220W |
532W |
4) Table 2: DC Voltages at the Base and collector
|
Point: |
Base |
Collector |
Emitter |
|---|---|---|---|
|
Voltage: |
2.84V |
6.93V |
2.11V |
5) Table 3: AC Voltages (No Load)
|
Point: |
Base |
Output |
Source |
|---|---|---|---|
|
Oscilloscope: |
.17V |
4.8V |
1.6V |
|
DMM (RMS): |
147.1mV |
3.675V |
1.023V |
6) Table 4: AC Voltage (1KW Load)
|
Point: |
Base |
Output |
Source |
|---|---|---|---|
|
Oscilloscope: |
.17V |
3.2V |
1.6V |
|
DMM (RMS): |
147.1mV |
2.453V |
1.023V |
Answers to Lab Questions
1) Q: What is the theoretical values for the gain and efficiency with this circuit?
A: Av = -196; Ai = -.053; Efficiency = 100%
2) Q: What are the actual values of gain and efficiency for this circuit?
A: Av = -28; Ai = -.688; Efficiency = 57.1%
3) Q: Compare the theoretical and actual values.
A:
|
|
Theoretical: |
Actual: |
% Error: |
|---|---|---|---|
|
Av: |
-196 |
-28 |
85.7% |
|
Ai: |
-0.053 |
-0.688 |
1198% |
|
Efficiency: |
100% |
57.1% |
42.9% |
Conclusions
From this lab a simple power amplifier can be built to conform to a basic set of operational standards. However, I do not know the source of the exceptionally large amount of error between the theoretical values and the real ones. I did, however, find it interesting that wave form that occurs at the emitter of the transistor. The wave form was identical to that of the base, only slightly smaller.
Attachments
1) Original Lab Handout
2) Original Lab Data
3) Calculations